Disponible
Buzzer piézoélectrique pour montage sur circuit imprimé
Avec oscillateur interne
Tension: 12V
Pression acoustique: 85dB (10cm)
Consommation maximale de courant: 30mA max
Fréquence de résonance: 2700 +/- 300Hz
Plage de température: -20 à 70ºC
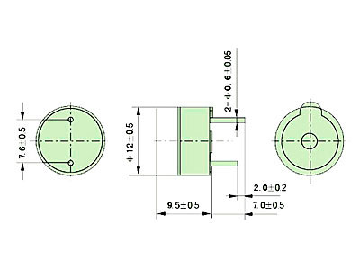
Raster: 7,6 mm
Diamètre: 12 mm / 0. 47 ",
Hauteur: 9. 5 mm / 0. 37"