Disponible
Bouchon auto-perceur pour plaque de plâtre pour une installation rapide et facile
Bouchon auto-perceur pour plaque de plâtre pour une installation rapide et facile
Point de centrage pour un positionnement précis de l'ancrage
Verrou anti-torsion empêche la torsion dans le trou de forage
Entraînement PZ2 - même entraînement pour douille et vis
Serrage optimal avec la vis à bois appropriée.
La fiche fischer DuoBlade est le plus jeune membre de la famille innovante DUO-line. Il contient différents composants qui permettent d'obtenir les meilleures performances. La pointe auto-perçante permet un processus de perçage propre et efficace. Le luminaire est vissé dans le luminaire précédemment placé avec le tournevis (sans fil) au ras de la surface de la plaque de plâtre. Le fischer DuoBlade convient aux vis à bois, métal et aggloméré de 4 à 5 mm d'épaisseur ainsi qu'à divers crochets et boulons à œil. Il convient donc à la fixation, par exemple, de détecteurs de fumée, de tringles à rideaux et de stores, rapidement et en toute sécurité.
Avantages:
Un produit innovant de la gamme fischer DuoLine avec des combinaisons intelligentes pour plus de puissance et plus d'intelligence.
La perceuse automatique fischer DuoBlade permet une installation rapide et facile sur les plaques de plâtre et les panneaux de fibres de gypse.
La pointe en métal noir garantit une installation facile et sûre.
Serrage à couple élevé lorsque l'ancrage est installé pour un facteur de confort et une sensation optimale dans l'ensemble.
Lecteur PZ 2 - même lecteur pour douille et vis.
Applications:
Gypse, panneau simple et double
Panneau de plâtre renforcé de fibres
Panneau de ciment léger
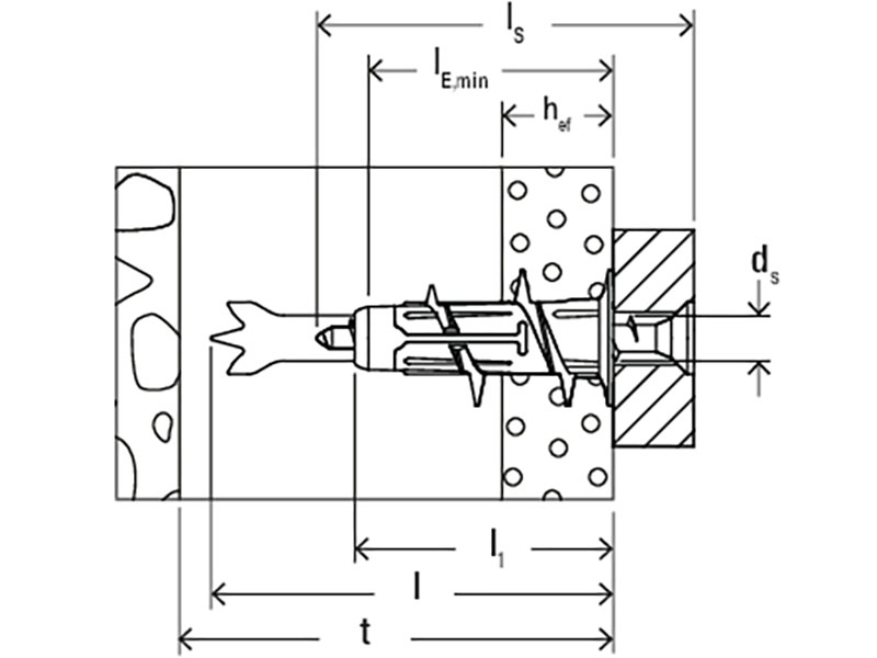
Longueur d'ancrage: 44 mm
Profondeur minimale du trou pour l'installation de pré-positionnement h1 = 50 mm
Épaisseur minimale de la première couche de support t = 50 mm
Pénétration minimale du boulon en E, min = 28 mm
Vis ds x ls = 4,5 x 40 mm
Profondeur d'ancrage. hef = 9,5 - 25 mm